Home / Products /
HOLIMESY Dosing Furnace (Model C)
FEATURES
1. Reduced production costs
- ・ Decreased energy consumption reduces production costs.
- ・ Lower maintenance costs because the lining refractory life is longer under very low power usage.
- ・ Improved productivity because the melt can be poured as soon as work starts.
・ Forced exhaust gas equipment and die-cast machine air-cooling system are not required.
2. Improved working environment
・ Heat radiation which is disagreeable to workers is eliminated.
- ・ Neither exhaust gases nor noises are generated during operations.
- ・ Since crucibles or iron pots are not used, cumbersome maintenance jobs as coating, replacing, etc. are not necessary and concern about possible breaking of crucibles is eliminated.
3. Improved melt quality
- ・ Since the melt does not come in contact with ambient air, oxidation of the melt is minimized and the amount of slag is reduced to approximately 1/5 of that noted in conventional type furnaces.
- ・ Introduction of the 3-camber construction that is unique to HOLIMESY furnace and use of high erosion resistant ceramic board eliminates the generation of hard spots.
- ・ Uniform temperature of the melt is maintained from top to the bottom, preventing the generation of A-Fe-Mn-Cr-Si phase deposits.
CONSTRUCTION
Construction of HOLIMESTY
Dosing Furnace

The HOLIMESY Dosing Furnace consists of four chambers (A, B, C and D) as shown in the sketch on the right. Chamber A is the holding/heating chamber where heaters are set under the lid for heating the melt. Chamber B is the receiving chamber of the melt from Chamber A. Chambers A and B are connected by a connecting port which serves as a heat-lock. The melt enters Chamber A and is held and heated. Then, the melt is tapped through the connecting port located at the bottom of Chamber C (tapping chamber). The tapping procedure can be easily done by using an automated melt supply system. Each of the Chambers is lined with high-heat-resistant refractory material.
(1) Height of tapping outlet (2) Maximum upper limit of melt
Also each Chamber has a lid which is thickly lined with insulating material to keep out the ambient air for prevention of melt oxidation and heat loss. Chamber D is the checking chamber for inspection of the melt. Chamber D is connected with Chambers A and C by a connecting port which allows for control of the melt temperature by means of a thermocouple. The amount of the melt in the furnace is controlled at Chamber C where a level float is located.
Large-scale HOLIMESY Dosing Furnaces with holding capacities up to 2,000 kg are also available. (We have produced a lot of these large-scale furnaces.) For large-capacity furnaces, please contact us for our recommendations including those for furnace configurations.
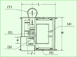
(1) Inlet launder
(2) Thermocouple
(3) Tapping outlet
(4) Electric outlet
(5) Float
SPECIFICATIONS -HOLIMESY Dosing Furnace (Model B)
| Model |
Aluminum holding capacity kg |
Tapping outlet dimensions m/m
×W |
Furnace diagonal size m/m |
Furnace depth m/m
h1 |
Furnace outer dimensions m/m
L×W |
| B-440 |
440 |
250×250 |
350 |
300 |
1440×1380 |
| B-480 |
480 |
300×300 |
420 |
300 |
1490×1380 |
| B-510 |
510 |
350×350 |
490 |
300 |
1540×1380 |
| B-690 |
690 |
400×300 |
500 |
350 |
1710×1380 |
| B-695 |
695 |
400×400 |
570 |
350 |
1710×1380 |
| B-730 |
730 |
450×400 |
600 |
350 |
1760×1380 |
| B-790 |
790 |
400×400 |
570 |
400 |
1710×1380 |
| B-830 |
830 |
450×450 |
630 |
400 |
1760×1405 |
| B-930 |
930 |
450×450 |
630 |
450 |
1760×1405 |
| B-1150A |
1150 |
450×450 |
630 |
500 |
1990×1625 |
| B-1150B |
1150 |
500×450 |
670 |
500 |
2040×1625 |
| B-1150C |
1150 |
500×500 |
700 |
500 |
2040×1625 |
| B-1200 |
1200 |
550×500 |
740 |
500 |
2090×1625 |
| B-1400 |
1400 |
550×550 |
778 |
500 |
2210×1625 |
| Model |
Power requirements KW |
Power consumption KW |
Max. ladling weight kg |
Range of melt level change m/m |
| Operations |
Shutdown |
| B-440 |
6.0 |
4.2 |
2.2 |
180 |
275~150 |
| B-480 |
7.2 |
4.5 |
2.6 |
200 |
275~150 |
| B-510 |
8.8 |
5.9 |
2.9 |
230 |
275~150 |
| B-690 |
9.0 |
6.0 |
3.2 |
300 |
325~175 |
| B-695 |
9.0 |
7.0 |
3.2 |
310 |
325~175 |
| B-730 |
10.0 |
7.8 |
3.3 |
340 |
325~175 |
| B-790 |
10.0 |
7.1 |
3.1 |
370 |
375~200 |
| B-830 |
11.0 |
8.8 |
3.7 |
390 |
375~200 |
| B-930 |
11.0 |
8.9 |
3.8 |
440 |
425~225 |
| B-1150A |
13.2 |
9.7 |
4.6 |
545 |
475~250 |
| B-1150B |
13.2 |
10.3 |
4.6 |
545 |
475~250 |
| B-1150C |
13.2 |
11.0 |
4.6 |
545 |
475~250 |
| B-1200 |
13.2 |
11.8 |
4.9 |
570 |
475~250 |
| B-1400 |
15.4 |
12.7 |
5.3 |
670 |
525~275 |